싸이트주소  (마이페이지) 

 

























카테고리 : 콤바인    트렉타   이앙기   경운기   관리기   나머지  


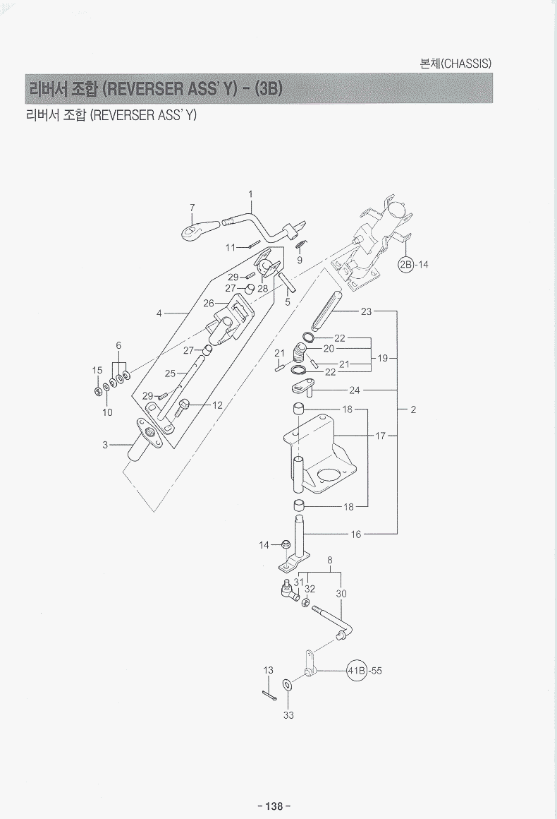
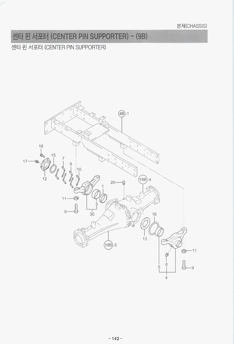
현재위치 : Home >> 트렉타 >> 국제트렉타+존디어트렉타 >> 등록책자 >> PF285_PF355_PF405 >> 134~163
목차 | 설명서 | 96~129 | 134~163 | 164~213 | 214~239 | 240~271 | 272~299 |

































 


 

로타리날_경운도

조인트모음