싸이트주소
(마이페이지)
카테고리 :
■
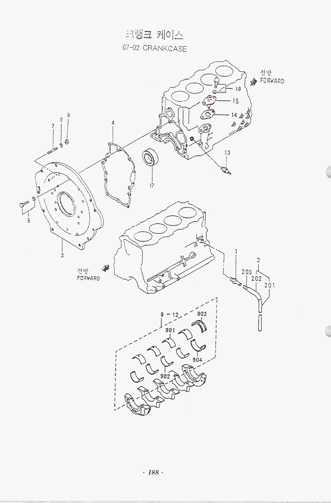
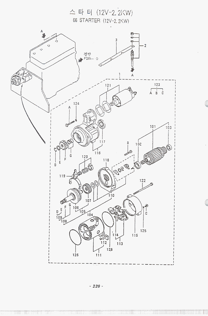
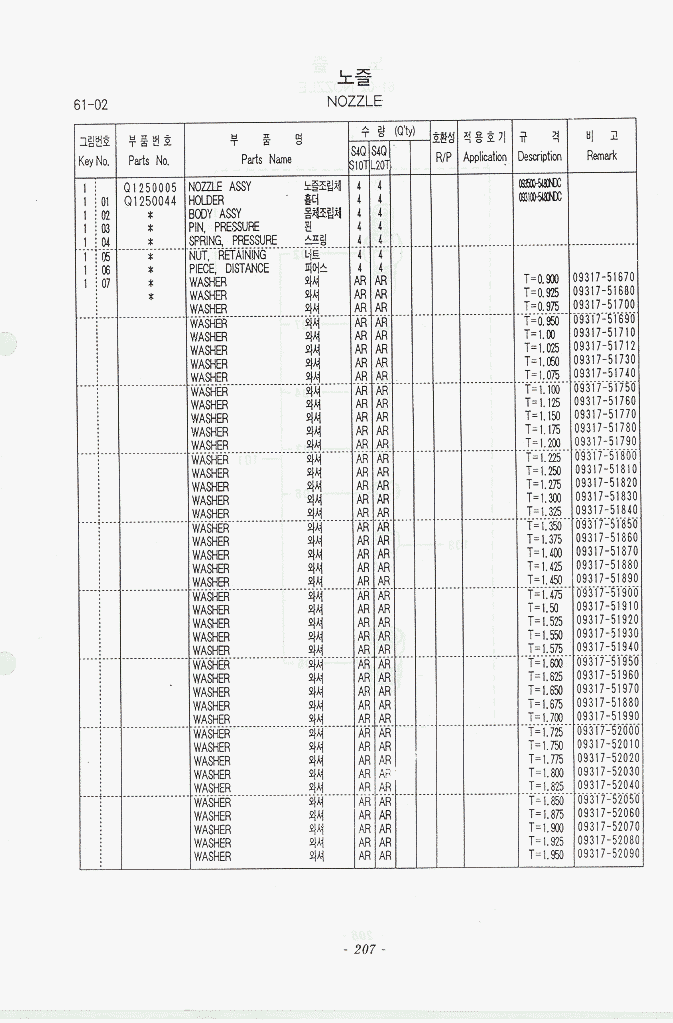
콤바인
■
트렉타
■
이앙기
■
경운기
■
관리기
■
나머지
현재위치 :
Home
>>
트렉타
>>
엘지트렉타
>>
등록책자
>>
LT410D
>>
179~227
목차
|
179~227
|
229~267
|
268~296
|
297~334
|
335~344
|
345~353
|
531~535
|
로타리날_경운도
조인트모음