싸이트주소
(마이페이지)
카테고리 :
■
콤바인
■
트렉타
■
이앙기
■
경운기
■
관리기
■
나머지
현재위치 :
Home
>>
트렉타
>>
엘지트렉타
>>
등록책자
>>
U43_U47_U52_U55
>>
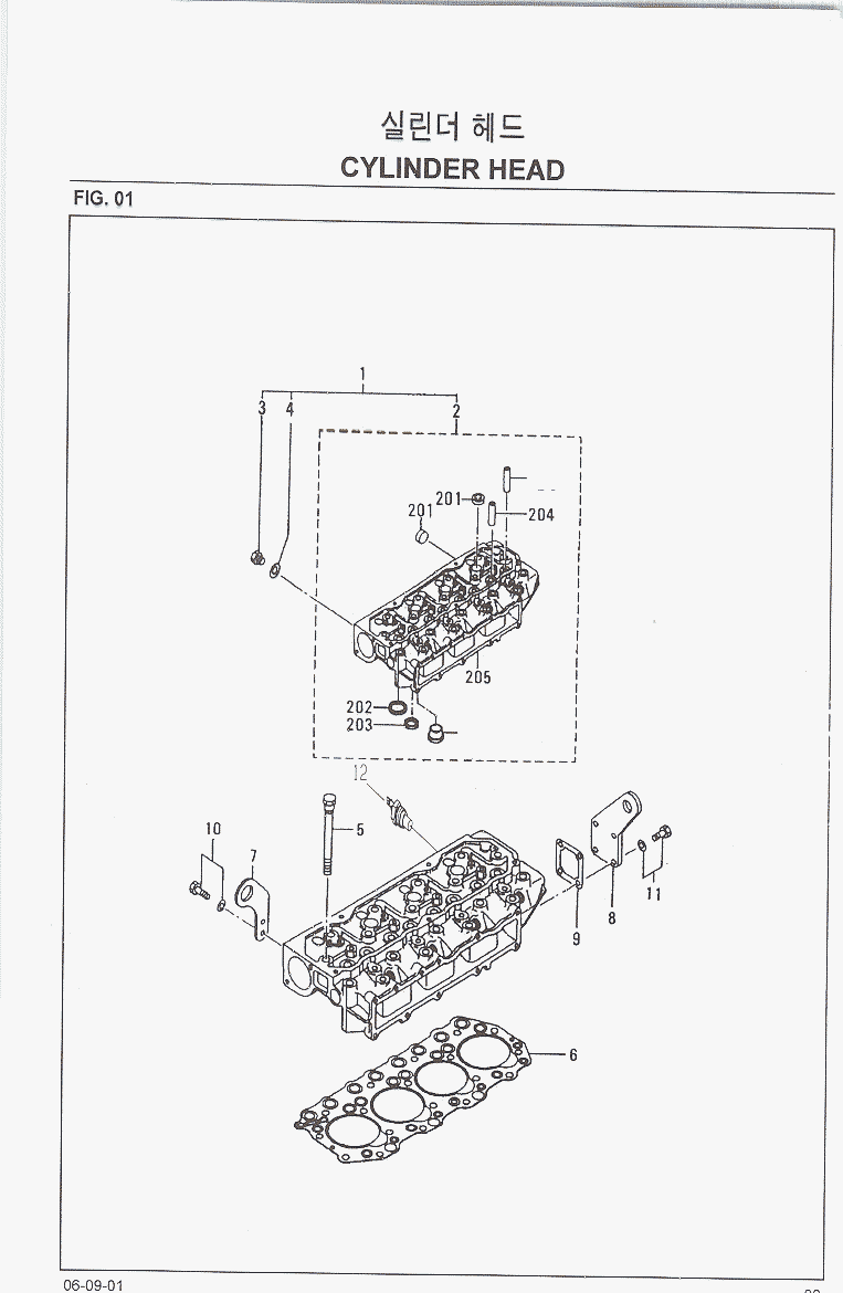
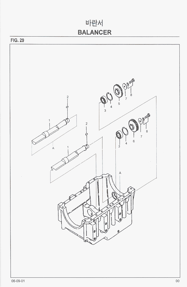
엔진U4347
목차
|
사진
|
설명서
|
엔진U4347
|
엔진U52
|
엔진U55
|
FIG_2
|
FIG_3
|
FIG_4
|
FIG_5
|
FIG_6
|
FIG_7
|
FIG_8
|
FIG_9
|
FIG_10
|
FIG_12
|
로타리날_경운도
조인트모음