싸이트주소  (마이페이지) 

 

























카테고리 : 콤바인    트렉타   이앙기   경운기   관리기   나머지  


현재위치 : Home >> 트렉타 >> 엘지트렉타 >> 등록책자 >> U43_U47_U52_U55 >> 엔진U52
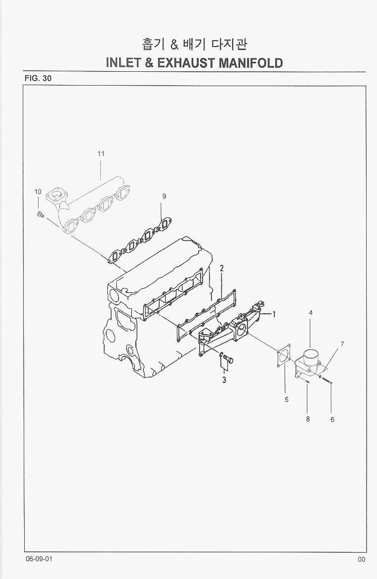
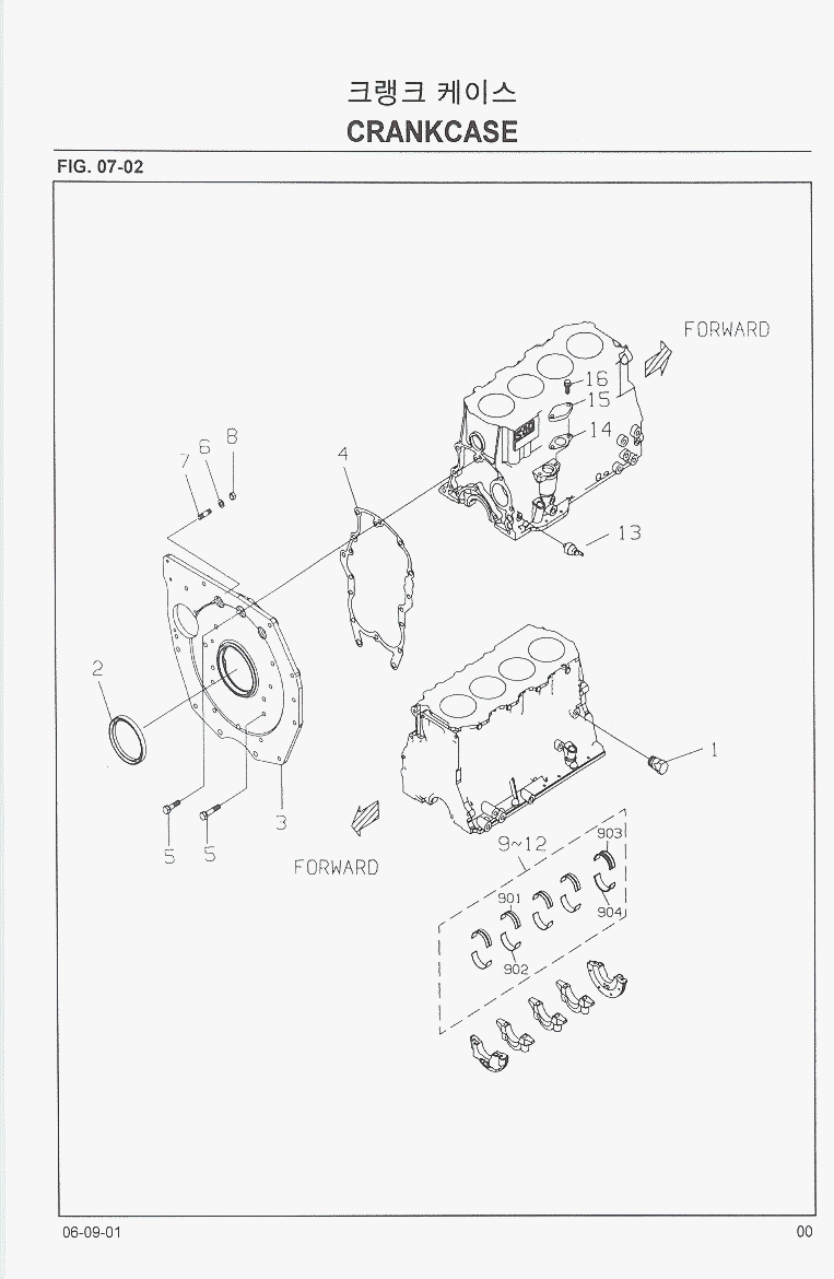
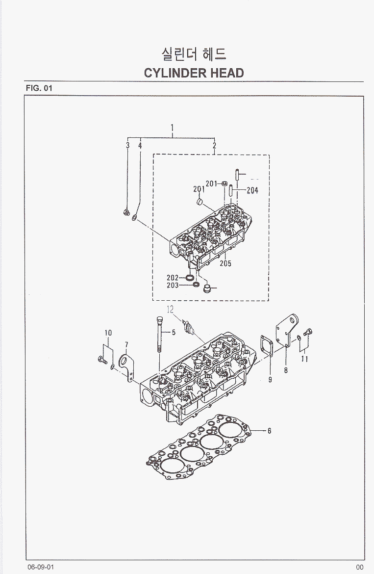
목차 | 사진 | 설명서 | 엔진U4347 | 엔진U52 | 엔진U55 | FIG_2 | FIG_3 | FIG_4 | FIG_5 | FIG_6 | FIG_7 | FIG_8 | FIG_9 | FIG_10 | FIG_12 |









































 


 

로타리날_경운도

조인트모음